Skip to main content

Requests in the Remote Storage App

Requests Workflow

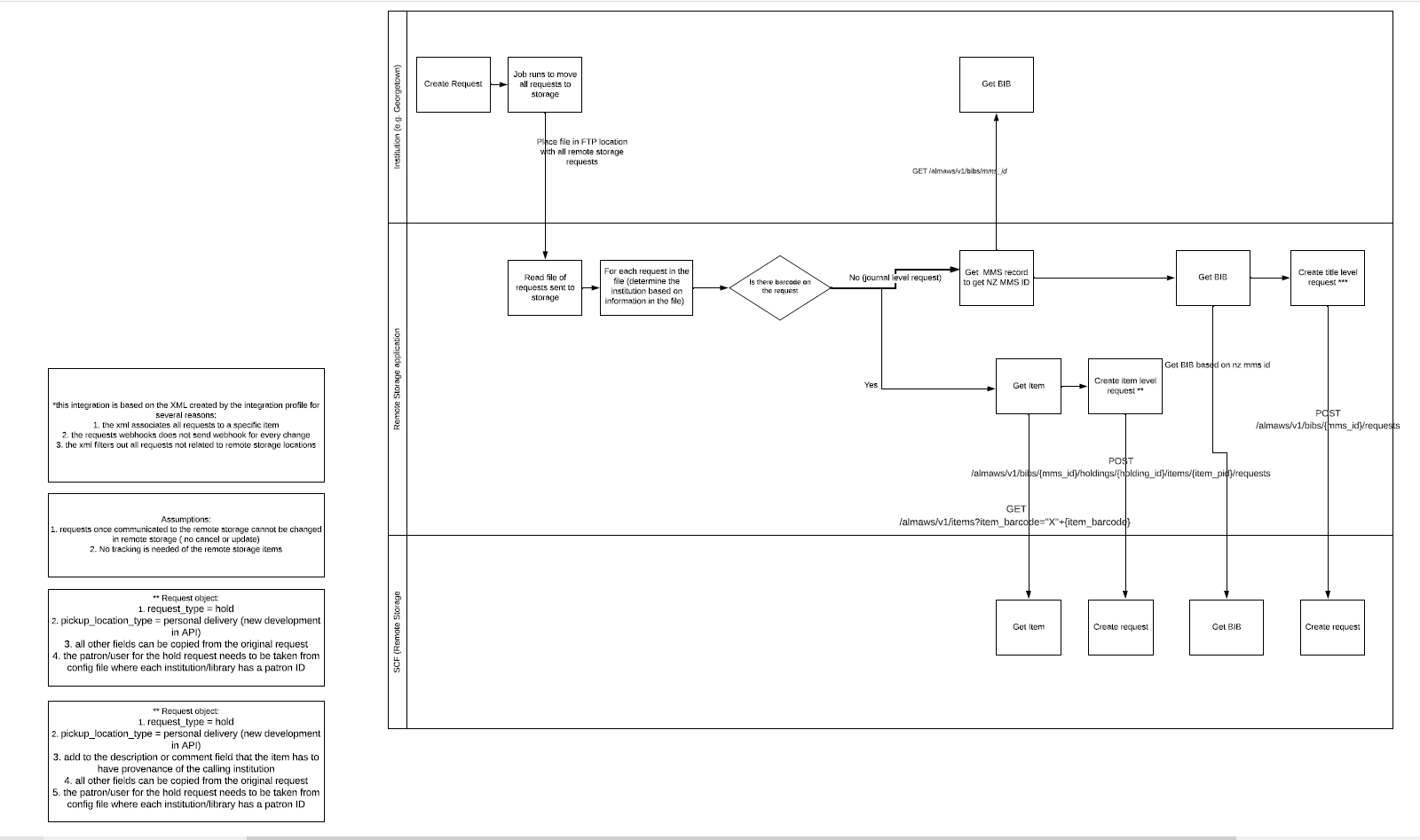
scf-app-request-workflow.PNG

  1. Shared Collections Facility Integration Profile runs and places file of requests in the SCF SFTP folder.
  2. Remote Storage app searches for the item in the SCF IZ using the barcode; if found, an item-level request is created
  3. If a barcode is not a part of the request metadata (because the request is for an article), then the app searches for the title using the NZ MMS Id; if found, a title-level request is created

Assumptions made in the Requests Workflow
  1. XML associates all requests to a specific item
  2. Requests webhook does not send webhook for every change
  3. XML file filters out all requests not related to remote storage locations
  4. Requests once communicated to the SCF IZ cannot be changed
  5.  No tracking is needed of the remote storgae items
  6. The request type is a Hold
  7. The pickup locaiton type is a personal delivery
  8. All other fields can be copied from the original request
  9. The patron/user for the hold request needs to be taken from the config file where each institution/library has a Patron ID
  10. Item n the SCF IZ must have provenance of the calling institution

Integration Profile

The Integration Profile used for Requests is configured in every participating Institution Zone in the WRLC Network

  1. Shared Collections Facility Integration Profile :

    1. This is a Remote Storage type integration profile. It runs twice daily (at noon and at midnight) and sends a file of all requests made to items with a Remote Storage location to an SFTP server for the remote storage app to process. The app searches for the job id (publishing_job_id) in the conf.json file.

Do not edit this profile without communicating with WRLC Central staff. If you save edits, it will change the Job ID, which is what the Remote Storage App looks for in the Job Finish Webhook. Editing this profile requires finding the new Job ID, and then updating the configuration JSON file with the new information.


SFTP for SCF App

The S/FTP Definition configured in Alma is named "SFTP for SCF App". This is the destination where the publishing profile exports the daily item information file and where the Requests file is also sent.

In this Integration Profile, the specified subdirectory is "Alma" (or "AlmaRSA-PSB" for sandbox environments).

Each Integration Profile for requests uses a subdirectory in the format:
[Institution Code]/requests

ex.01WRLC_AMU/requests

After each sandbox refresh, the sandbox environment must be updated with the correct subdirectory.

Additionally, the SFTP server information in the app configuration file must exactly match the details specified in the S/FTP Definition.


Requests Process

When a patron makes a request for an item at the SCF, the item is given a status of Waiting for Remote Storage in the owning Institution’s IZ. The item in the owning IZ also has a process type of Requested

If the requester is from a different Institution than the Institution that owns the item, the request will appear under both the Monitor Requests & Item Processes page (without a workflow assigned) and the Borrowing Requests page in the IZ of the requester, with a status of Request sent to Partner; the partner that is listed is the owning IZ, not the SCF IZ. 

The Shared Collections Facility Integration Profile in each owning Institution Zone runs twice daily (once at noon, and again at midnight), and transfers requests to the SCF IZ. In the SCF IZ, the item is given a status of Pick from shelf; it is “requested” by the patron account associated with the pickup location.

Once the request has successfully transferred to the SCF IZ, the status of the item in the owning IZ is changed to Request Communicated to Storage, until the item is scanned at the requester’s IZ; then the item is placed on their Hold Shelf. The item record will have a process type of Hold Shelf, even if the Hold Shelf is at another Institution other than the owning Institution.

When the item is scanned in the SCF IZ (after being picked up from the shelf by the SCF specialists), it is automatically loaned to the patron account associated with the requesting library (Deliver To : [Pickup IZ]). This is because all of the Library pickup patron accounts in the SCF IZ are governed by the Library Delivery fulfillment rule that is configured under the Limited Request fulfillment unit for Library pickup patron accounts. The SCF copy of the item remains on loan until the item is returned to the SCF.

When item is scanned in at the non-SCF Institution Zone, the item is given a status of Transit for Reshelving.

When the returned item is scanned in at the SCF, not only is the Loan in the SCF IZ removed, but the In Transit status in the owning IZ is also removed due to the webhook sent via the SCF Loans Webhooks Profile Integration Profile, and processing done by the SCF app. For more information on Loans and the remote storage app, see the Loans page.